• 2423/1, Surekha Building, G.B Road, Delhi-110006 (India)
  • lvzbearing@gmail.com
  • +91 9810707040
  • Home
  • Products
    • Pillow Block
    • Ball Bearing
    • Sperical Roller Bearing
    • Tapper Bearing
    • Thrust Bearing
    • Industrial Roller Chain
  • Application
  • About
  • Contact
Quick Query

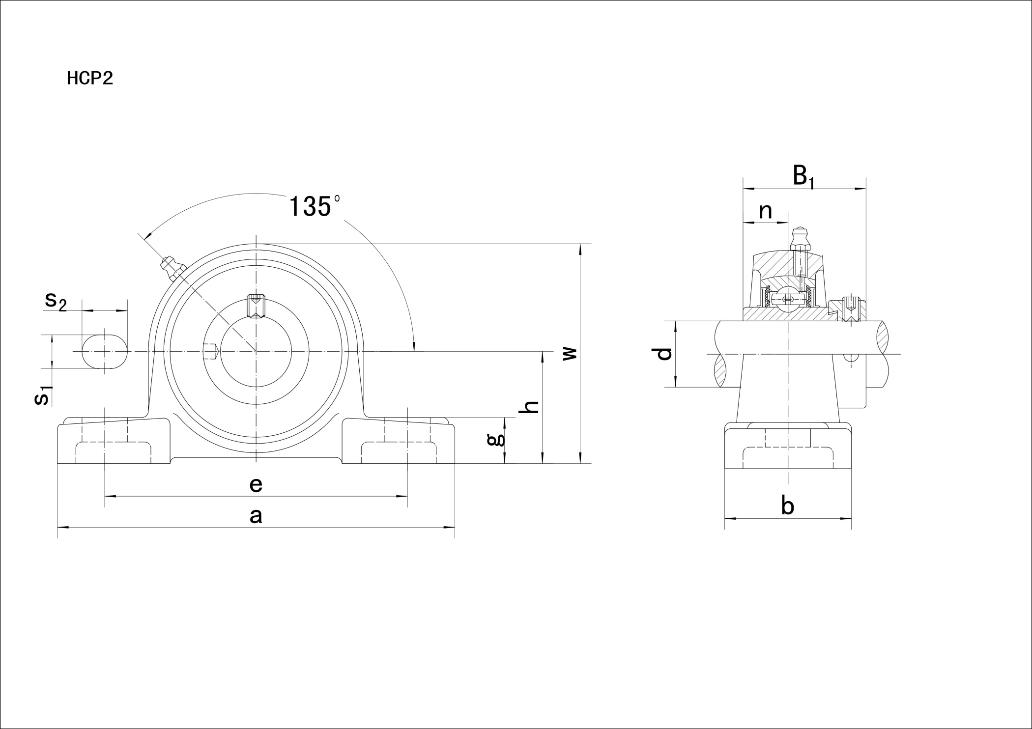
HCP200

Unit NO.Dimensions ( mm / in. )Bolt Size mm/in.Bearing No.Housing No.Weight (kg)
dhaebs1s2gwB1n
HCP204 20 33.3 127 95 38 13 19 14 65 43.7 17.1 M10 HC204 P204 0.7
HCP204-12 3/4 1-5/16 5 3-3/4 1-1/2 1/2 3/4 9/16 2-9/16 1.720 0.673 3/8 HC204-12 P204 0.7
HCP205 25 36.5 140 105 38 13 19 15 71 44.4 17.5 M10 HC205 P205 0.81
HCP205-13 13/16 1-7/16 5-1/2 4-1/8 1-1/2 1/2 3/4 19/32 2-25/32 1.748 0.689 3/8 HC205-13 P205 0.86
HCP205-14 7/8 1-7/16 5-1/2 4-1/8 1-1/2 1/2 3/4 19/32 2-25/32 1.748 0.689 3/8 HC205-14 P205 0.85
HCP205-15 15/16 1-7/16 5-1/2 4-1/8 1-1/2 1/2 3/4 19/32 2-25/32 1.748 0.689 3/8 HC205-15 P205 0.83
HCP205-16 1 1-7/16 5-1/2 4-1/8 1-1/2 1/2 3/4 19/32 2-25/32 1.748 0.689 3/8 HC205-16 P205 0.81
HCP206 30 42.9 160 121 44 17 20 17 84 48.4 18.3 M14 HC206 P206 1.27
HCP206-17 1-1/16 1-11/16 6-19/64 4-3/4 1-47/64 43/64 25/32 21/32 3-5/16 1.906 0.720 1/2 HC206-17 P206 1.32
HCP206-18 1-1/8 1-11/16 6-19/64 4-3/4 1-47/64 43/64 25/32 21/32 3-5/16 1.906 0.720 1/2 HC206-18 P206 1.29
HCP206-19 1-3/16 1-11/16 6-19/64 4-3/4 1-47/64 43/64 25/32 21/32 3-5/16 1.906 0.720 1/2 HC206-19 P206 1.27
HCP206-20 1-1/4 1-11/16 6-19/64 4-3/4 1-47/64 43/64 25/32 21/32 3-5/16 1.906 0.720 1/2 HC206-20 P206 1.24
HCP207 35 47.6 167 127 48 17 20 18 93 51.1 18.8 M14 HC207 P207 1.6
HCP207-20 1-1/4 1-7/8 6-9/16 5 1-7/8 43/64 25/32 45/64 3-21/32 2.012 0.740 1/2 HC207-20 P207 1.67
HCP207-21 1-5/16 1-7/8 6-9/16 5 1-7/8 43/64 25/32 45/64 3-21/32 2.012 0.740 1/2 HC207-21 P207 1.63
HCP207-22 1-3/8 1-7/8 6-9/16 5 1-7/8 43/64 25/32 45/64 3-21/32 2.012 0.740 1/2 HC207-22 P207 1.6
HCP207-23 1-7/16 1-7/8 6-9/16 5 1-7/8 43/64 25/32 45/64 3-21/32 2.012 0.740 1/2 HC207-23 P207 1.58
HCP208 40 49.2 184 137 54 17 20 18 100 56.3 21.4 M14 HC208 P208 1.99
HCP208-24 1-1/2 1-15/16 7-1/4 5-13/32 2-1/8 43/64 25/32 45/64 3-15/16 2.217 0.843 1/2 HC208-24 P208 2.04
HCP208-25 1-9/16 1-15/16 7-1/4 5-13/32 2-1/8 43/64 25/32 45/64 3-15/16 2.217 0.843 1/2 HC208-25 P208 2
HCP209 45 54 190 146 54 17 20 20 106 56.3 21.4 M14 HC209 P209 2.19
HCP209-26 1-5/8 2-1/8 7-15/32 5-3/4 2-1/8 43/64 25/32 25/32 4-11/64 2.217 0.843 1/2 HC209-26 P209 2.3
HCP209-27 1-11/16 2-1/8 7-15/32 5-3/4 2-1/8 43/64 25/32 25/32 4-11/64 2.217 0.843 1/2 HC209-27 P209 2.25
HCP209-28 1-3/4 2-1/8 7-15/32 5-3/4 2-1/8 43/64 25/32 25/32 4-11/64 2.217 0.843 1/2 HC209-28 P209 2.21
HCP210 50 57.2 206 159 60 20 23 21 113 62.7 24.6 M16 HC210 P210 2.8
HCP210-29 1-13/16 2-1/4 8-1/8 6-1/4 2-3/8 25/32 29/32 53/64 4-29/64 2.469 0.969 5/8 HC210-29 P210 2.95
HCP210-30 1-7/8 2-1/4 8-1/8 6-1/4 2-3/8 25/32 29/32 53/64 4-29/64 2.469 0.969 5/8 HC210-30 P210 2.89
HCP210-31 1-15/16 2-1/4 8-1/8 6-1/4 2-3/8 25/32 29/32 53/64 4-29/64 2.469 0.969 5/8 HC210-31 P210 2.83
HCP210-32 2 2-1/4 8-1/8 6-1/4 2-3/8 25/32 29/32 53/64 4-29/64 2.469 0.969 5/8 HC210-32 P210 2.77
HCP211 55 63.5 219 171 60 20 23 23 125 71.4 27.8 M16 HC211 P211 3.5
HCP211-32 2 2-1/2 8-5/8 6-47/64 2-3/8 25/32 29/32 29/32 4-59/64 2.811 1.094 5/8 HC211-32 P211 3.8
HCP211-33 2-1/16 2-1/2 8-5/8 6-47/64 2-3/8 25/32 29/32 29/32 4-59/64 2.811 1.094 5/8 HC211-33 P211 3.62
HCP211-34 2-1/8 2-1/2 8-5/8 6-47/64 2-3/8 25/32 29/32 29/32 4-59/64 2.811 1.094 5/8 HC211-34 P211 3.55
HCP211-35 2-3/16 2-1/2 8-5/8 6-47/64 2-3/8 25/32 29/32 29/32 4-59/64 2.811 1.094 5/8 HC211-35 P211 3.47
HCP212 60 69.8 241 184 70 20 23 25 138 77.8 31 M16 HC212 P212 4.76
HCP212-36 2-1/4 2-3/4 9-1/2 7-1/4 2-3/4 25/32 29/32 63/64 5-7/16 3.063 1.22 5/8 HC212-36 P212 4.78
HCP212-37 2-5/16 2-3/4 9-1/2 7-1/4 2-3/4 25/32 29/32 63/64 5-7/16 3.063 1.22 5/8 HC212-37 P212 4.83
HCP212-38 2-3/8 2-3/4 9-1/2 7-1/4 2-3/4 25/32 29/32 63/64 5-7/16 3.063 1.22 5/8 HC212-38 P212 4.76
HCP212-39 2-7/16 2-3/4 9-1/2 7-1/4 2-3/4 25/32 29/32 63/64 5-7/16 3.063 1.22 5/8 HC212-39 P212 4.75
HCP213 65 76.2 265 203 70 25 28 27 150 85.7 34.1 M20 HC213 P213 5.89
HCP213-40 2-1/2 3 10-7/16 8 2-3/4 63/64 1-3/32 1-1/16 5-29/32 3.374 1.343 3/4 HC213-40 P213 6
HCP213-41 2-9/16 3 10-7/16 8 2-3/4 63/64 1-3/32 1-1/16 5-29/32 3.374 1.343 3/4 HC213-41 P213 5.88
HCP214 70 79.4 266 210 72 25 28 27 156 85.7 34.1 M20 HC214 P214 6.27
HCP214-42 2-5/8 3-1/8 10-15/32 8-17/64 2-27/32 63/64 1-3/32 1-1/16 6-9/64 3.374 1.343 3/4 HC214-42 P214 6.21
HCP214-43 2-11/16 3-1/8 10-15/32 8-17/64 2-27/32 63/64 1-3/32 1-1/16 6-9/64 3.374 1.343 3/4 HC214-43 P214 6.4
HCP214-44 2-3/4 3-1/8 10-15/32 8-17/64 2-27/32 63/64 1-3/32 1-1/16 6-9/64 3.374 1.343 3/4 HC214-44 P214 6.28
HCP215 75 82.6 275 217 74 25 28 28 162 92.1 37.3 M20 HC215 P215 6.93
HCP215-45 2-13/16 3-1/4 10-53/64 8-35/64 2-29/32 63/64 1-3/32 1-3/32 6-3/8 3.626 1.469 3/4 HC215-45 P215 7.23
HCP215-46 2-7/8 3-1/4 10-53/64 8-35/64 2-29/32 63/64 1-3/32 1-3/32 6-3/8 3.626 1.469 3/4 HC215-46 P215 7.1
HCP215-47 2-15/16 3-1/4 10-53/64 8-35/64 2-29/32 63/64 1-3/32 1-3/32 6-3/8 3.626 1.469 3/4 HC215-47 P215 6.97
HCP215-48 3 3-1/4 10-53/64 8-35/64 2-29/32 63/64 1-3/32 1-3/32 6-3/8 3.626 1.469 3/4 HC215-48 P215 6.83
HCP216 80 88.9 292 232 78 25 28 30 174 95.2 37.3 M20 HC216 P216 8.54
HCP216-49 3-1/16 3-1/2 11-1/2 9-1/8 3-1/16 63/64 1-3/32 1-3/16 6-27/32 3.748 1.469 3/4 HC216-49 P216 8.74
HCP216-50 3-1/8 3-1/2 11-1/2 9-1/8 3-1/16 63/64 1-3/32 1-3/16 6-27/32 3.748 1.469 3/4 HC216-50 P216 8.6
HCP216-51 3-3/16 3-1/2 11-1/2 9-1/8 3-1/16 63/64 1-3/32 1-3/16 6-27/32 3.748 1.469 3/4 HC216-51 P216 8.45
HCP217 85 95.2 310 247 83 25 28 32 185 73.8 23.4 M20 HC217 P217 9.81
HCP217-52 3-1/4 3-3/4 12-13/64 9-23/32 3-17/64 63/64 1-3/32 1-1/4 7-9/32 2.906 0.921 3/4 HC217-52 P217 10
HCP217-53 3-5/16 3-3/4 12-13/64 9-23/32 3-17/64 63/64 1-3/32 1-1/4 7-9/32 2.906 0.921 3/4 HC217-53 P217 9.88
HCP217-55 3-7/16 3-3/4 12-13/64 9-23/32 3-17/64 63/64 1-3/32 1-1/4 7-9/32 2.906 0.921 3/4 HC217-55 P217 9.63
HCP218 90 101.6 327 262 88 27 30 33 198 72.6 24.5 M22 HC218 P218 11.41
HCP218-56 3-1/2 4 12-7/8 10-5/16 3-15/32 1-1/16 1-3/16 1-19/64 7-51/64 2.858 0.965 7/8 HC218-56 P218 11.5

Information

  • About Us
  • Contact us
  • Aplication

Quick Links

  • Pillow Block
  • Ball Bearing
  • Industrial Roller Chain

Quick Links

  • Sperical Roller Bearing
  • Tapper Bearing
  • Thrust Bearing

Contact

  • Address: 2423/1, Surekha Building, G.B Road, Delhi-110006 (India)
  • Phone: 91-11-23213777, 49099678
  • Email: lvzbearing@gmail.com

Newsletter Subscription

Subscribe us and get latest products info
© Continental Trading Company 2025-26 | Designed & Developed Eindiadeal

Donate us to achive our goal

Beguiled and demoralized by the charms of pleasure of the moment, so by desire,
that they cannot foresee.

Donor Information